Документация
Подробный каталог компонентов фирмы KANYA находится в нашей библиотеке.
читать >>>
Библиотека  Вся докуменация, более 10 гигабайт, доступна в нашей библиотеке. Библиотека документации >>>
|
Основание 50 мм
|
|
Тип
|
Вес [кг/м]
|
Ix,y [см4]
|
Wx,y [см3]
|
Стр. кат.
|
|
|
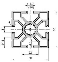
Базовый 50 х 50 тип A01-1
Оптимальное соотношение веса и прочности для решения
большинства конструкционных задач.
|
2,3
|
20,88
|
8,35
|
30
|
|
|
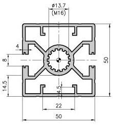
Усиленный 50 х 50 тип MA1-1
Крепление закладными элементами через направляющие пазы столь
надежно, как и через сквозную рассверловку.
|
3,1
|
29,37
|
11,75
|
30
|
|
|
Односторонний закрытый 50 х 50 тип A01-8
Закрытая лицевая сторона уменьшает скопление грязи и пыли.
|
2,2
|
20,38; 19,61
|
8,15; 7,55
|
31
|
|
|
Угловой 50 х 50 тип A01-7
Закрытые пазы могут могут быть использованы для крепления с
помощью рассверливания и использования закладных элементов.
|
2,2
|
16,90
|
6,76
|
31
|
|
|
Двусторонний закрытый 50 х 50 тип A02-4
Используется для придания целостности внешнему виду
конструкции.
|
2,0
|
19,59; 18,17
|
7,83; 7,27
|
32
|
|
|
Угловое сечение 50 х 450 тип A02-8
Обеспечивает ровность формы конструкции.
|
1,7
|
13,10
|
4,50
|
32
|
|
|
Базовый 50 х 100 тип A01-2
При нормальных условиях используется как несущая балка,
оптимально подобранное поперечное сечение обеспечивает широкий
спектр применения.
|
4,6
|
149,84; 41,25
|
29,97; 16,50
|
33
|
|
|
Усиленный 50 х 100 тип MA1-2
Так же используется как несущая балка, большая нагрузочная
способность и малый вес дают безграничные возможности.
|
5,3
|
198,66; 50,28
|
39,73; 20,11
|
34
|
|
|
Односторонний закрытый 50 х 100 тип MA1-4
Большая закрытая полость предотвращает всяческое внутренне
загрязнение и может служить в качестве воздухо-, топливо-, водо-
или маслопровода.
|
5,2
|
203,67; 54,31
|
40,73; 21,03
|
35
|
|
|
Базовый 100 х 100 тип MA2-5
Универсальный профиль для машиностроения с большой нагрузочной
способностью, оптимальной жесткостью скручивания и малым весом.
|
8,1
|
324,73
|
64,95
|
36
|
|
|
Усиленный 100 х 100 тип MA1-5
Особо прочный профиль, используемый для опор, крепежа.
Прекрасно сочетается с профилем MA1-9 при построении портальных
систем.
|
9,5
|
380,00; 365,00
|
76,00; 73,00
|
37
|
|
|
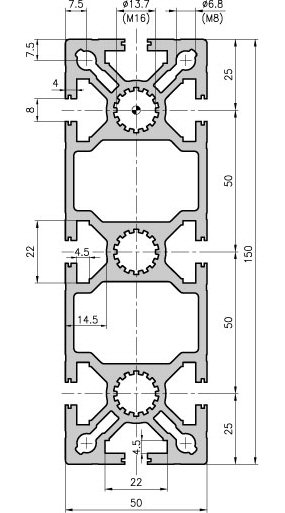
Балка 50 х 150 тип MA1-3
Благодаря высокой нагрузочной способности, название говорит
само за себя.
|
7,1
|
608,31; 73,56
|
81,11; 29,42
|
38
|
|
|
Усиленный 100 х 200 тип MA1-9
Используется в портальных системах с большими расстояниями
между опорами, либо там, где большие нагрузки сочетаются с высокой
точностью.
|
17,0
|
2442,53; 718,61
|
244,25; 143,72
|
39
|
|
Типоразмеры профиля Kanya
Продукция
|