Документация
Подробный каталог компонентов фирмы KANYA находится в нашей библиотеке.
читать >>>
Библиотека  Вся докуменация, более 10 гигабайт, доступна в нашей библиотеке. Библиотека документации >>>
|
Основание 40 мм
|
|
Тип
|
Вес [кг/м]
|
Ix,y [см4]
|
Wx,y [см3]
|
Стр. каталога
|
|
|
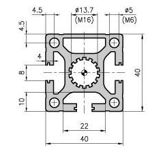
Супер облегченный 40 х 40 тип C03-1
Оптимальное сочетание нагрузочной способности и веса.
|
1,3
|
8,2
|
4,10
|
40
|
|
|
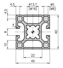
Облегченный 40 х 40 тип C02-1
Универсальный профиль, благодаря оптимальному соотношению
стабильности и веса
|
1,5
|
9,35
|
4,67
|
40
|
|
|
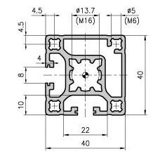
Базовый 40 х 40 тип C01-1
Универсальный необычно крепкий и твердый профиль по умеренной
цене
|
2,0
|
11,70
|
5,75
|
41
|
|
|
Односторонний 40 х 40 тип C01-8
Закрытая лицевая сторона уменьшает скопление грязи и пыли.
|
2,0
|
11,66; 11,67
|
5,78; 5,83
|
41
|
|
|
Двусторонний угловой 40 х 40 тип C01-7
Уменьшают скопление грязи и пыли на гранях конструкции
|
1,5
|
9,21
|
4,53
|
42
|
|
|
Двусторонний 40 х 40 тип C02-4
Используется для придания целостности внешнему виду
конструкции.
|
1,5
|
9,56; 9,21
|
4,78; 4,60
|
42
|
|
|
Угловое сечение 40 х 450 тип C02-8
Обеспечивает ровность формы конструкции.
|
1,2
|
6,30
|
2,70
|
43
|
|
|
Закругленный 40 х 40 тип C03-8
Используется везде, где необходима плавность линий
|
1,3
|
6,70
|
2,97
|
43
|
|
|
Облегченный 40 х 80 тип C02-3
Прекрасно комбинируется с профилями других оснований.
|
2,8
|
64,90; 17,70
|
16,23; 8,85
|
44
|
|
|
Базовый 40 х 80 тип C01-3
Оптимальное сечение для реализации множества идей.
|
3,7
|
81,95; 22,74
|
20,49; 11,37
|
45
|
|
|
Односторонний 40 х 80 тип C01-5
Закрытая лицевая сторона уменьшает скопление грязи и пыли,
данный профиль может быть использован для отделки
|
2,6
|
64,40; 17,20
|
16,10; 8,60
|
45
|
|
|
Балка 40 х 120 тип C01-9
Уменьшенный аналог балки MA1-3
|
5,3
|
258,52; 33,43
|
43,09; 16,72
|
46
|
|
|
Балка 40 х 160 тип C02-9
Универсальный профиль для конструкций с большими пролетами и
нагрузками , так же может быть использован в качестве
направляющей.
|
7,0
|
592,79; 44,36
|
74,09; 22,18
|
47
|
|
|
Угловой 80 х 80 х 40 тип C01-6
Компактный профиль для высоких угловых нагрузок с прекрасным
сочетанием цена/возможности.
|
5,3
|
109,18
|
23,56
|
48
|
|
|
Базовый 80 х 80 тип C01-4
Предпочтителен для опор, особенности сечения позволяю
обеспечить равномерное распределение нагрузки.
|
6,0
|
157,70
|
38,68
|
49
|
|
|
Балка 80 х 120 тип MC1-2
Универсальный профиль с высоким статическим моментом для
создания портальных систем и жестких оснований.
|
8,4
|
451,20; 219,76
|
75,20; 54,94
|
50
|
|
|
Усиленный 80 х 160 MC1-9
Универсальный профиль с высоким статическим моментом для
создания крупных портальных систем и жестких оснований.
|
11,0
|
1018,98; 296,53
|
112,37; 74,13
|
51
|
|