|
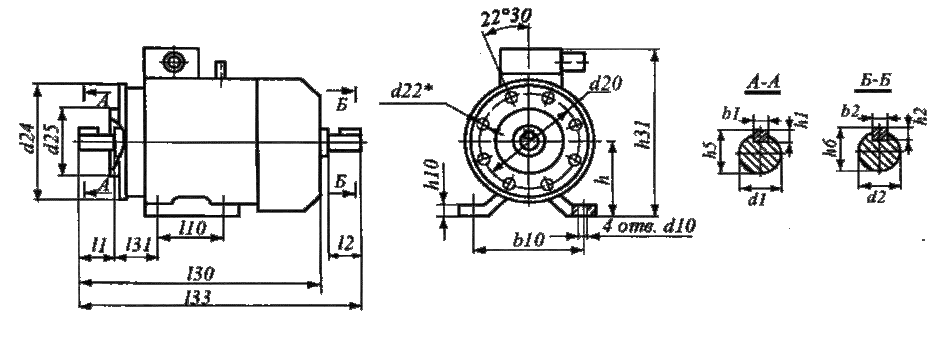
Габаритные, установочные и присоединительные размеры электродвигателей АИР 50 - 250.
Исполнение IM1081, IM2081, IM3081
| Тип двигателя |
Число полюсов |
Габаритные размеры, мм |
Установочные и присоединительные размеры, мм |
| l30 |
l33 |
h31 |
d24 |
l1 |
l2 |
l10 |
l31 |
d1 |
d2 |
d10 |
d20 |
d22 |
d25 |
b1 |
b2 |
b10 |
h1 |
h2 |
h5 |
h6 |
h10 |
h |
| АИР50 |
2; 4 |
178 |
200 |
130 |
120 |
20 |
20 |
63 |
32 |
9 |
9 |
5,8 |
100 |
7 |
80 |
3 |
3 |
80 |
2 |
2 |
10,02 |
10 |
6 |
50 |
| АИР56 |
2; 4 |
203 |
230 |
141 |
140 |
23 |
23 |
71 |
36 |
11 |
11 |
115 |
10 |
95 |
4 |
4 |
90 |
4 |
4 |
12,5 |
12,5 |
7 |
56 |
| АИР63 |
2; 4; 6 |
227 |
261 |
154 |
160 |
30 |
30 |
80 |
40 |
14 |
14 |
7 |
130 |
110 |
5 |
5 |
100 |
5 |
5 |
16 |
16 |
63 |
| АИР71 |
2; 4; 6; 8 |
272,5 |
316,5 |
188 |
200 |
40 |
40 |
90 |
45 |
19 |
19 |
165 |
12 |
130 |
6 |
6 |
112 |
6 |
6 |
21,5 |
21,5 |
8 |
71 |
| АИР80А |
2; 4; 6; 8 |
296,5 |
350 |
205 |
50 |
50 |
100 |
50 |
22 |
22 |
10 |
125 |
24,5 |
24,5 |
9 |
80 |
| АИР80В |
2; 4; 6; 8 |
320,5 |
374 |
| АИР90L |
2; 4; 6; 8 |
337 | 390 |
205 |
250 |
125 |
56 |
24 |
24 |
215 |
15 |
180 |
8 |
8 |
140 |
7 |
7 |
27 |
27 |
10 |
90 |
| АИР100S |
2; 4 |
360 |
424 |
247 |
60 |
60 |
112 |
63 |
28 |
28 |
12 |
160 |
31 |
31 |
12 |
100 |
| АИР100L |
2; 4; 6; 8 |
391 |
455 |
140 |
| АИР112M |
2; 4; 6; 8 |
435 |
520 |
285 |
300 |
80 |
80 |
140 |
70 |
32 |
32 |
12 |
265 |
15 |
230 |
10 |
10 |
190 |
8 |
8 |
35 |
35 |
14 |
112 |
| АИР132S |
4; 6; 8 |
460 |
548 |
325 |
350 |
89 |
38 |
38 |
300 |
19 |
250 |
216 |
41 |
41 |
16 |
132 |
| АИР132M |
2; 4; 6; 8 |
498 |
584 |
110 |
110 |
178 |
| АИР160S |
2 |
630 |
750 |
385 |
350 |
108 |
42 |
42 |
15 |
300 |
250 |
12 |
12 |
254 |
8 |
8 |
45 |
45 |
18 |
160 |
| 4; 6; 8 |
48 |
14 |
9 | 51,5 |
| АИР160М |
2 |
660 |
780 |
210 |
42 |
12 |
8 |
45 |
| 4; 6; 8 |
48 |
14 |
9 |
51,5 |
| АИР180S |
2 |
630 |
744 |
440 |
400 |
110 |
110 |
203 |
121 |
48 |
48 |
15 |
350 |
19 |
300 |
14 |
14 |
279 |
9 |
9 |
52 |
51,5 |
20 |
180 |
| 4 |
55 |
16 |
10 |
59 |
| АИР180M |
2 |
680 |
794 |
241 |
48 |
14 |
9 |
52 |
| 4; 6; 8 |
55 |
16 |
10 |
59 |
| АИР200M |
2 |
735 |
846 |
485 |
450 |
110 |
110 |
267 |
133 |
55 |
55 |
19 |
400 |
350 |
16 |
16 |
318 |
10 |
10 |
59 |
59 |
25 |
200 |
| 4; 6; 8 |
765 |
876 |
140 |
80 |
18 |
11 |
64 |
| АИР200L |
2 |
785 |
892 |
110 |
305 |
55 |
16 |
10 |
59 |
| 4; 6; 8 |
815 |
922 |
140 |
60 |
18 |
11 |
64 |
| АИР225M |
2 |
835 |
952 |
535 |
550 |
110 |
140 |
311 |
55 |
60 |
60 |
16 |
356 |
10 |
59 |
30 |
225 |
| 4 |
865 |
1012 |
18 |
18 |
64 |
| 6; 8 |
820 |
967 |
65 |
11 |
11 |
69 |
| АИР250S |
2 |
880 |
1022 |
590 |
140 |
75 |
65 |
65 |
24 |
500 |
450 |
406 |
69 |
250 |
| 4; 6; 8 |
70 |
70 |
20 |
20 |
12 |
12 |
80 |
74,5 |
| АИР250М |
2 |
905 |
1047 |
349 |
65 |
65 |
65 |
18 |
18 |
11 |
11 |
69 |
69 |
| 4; 6; 8 |
75 |
70 |
70 |
20 |
20 |
12 |
12 |
80 |
74,5 |
| АИР280М |
2 |
1080 |
1360 |
660 |
660 |
140 |
140 |
419 |
190 |
70 |
70 |
24 |
600 |
24 |
550 |
22 |
- |
457 |
14 |
- |
85 |
- |
30 |
280 |
| 4 |
1180 |
1350 |
170 |
170 |
80 |
80 |
| 6,8 |
1110 |
| АИР280S |
2 |
1080 |
1320 |
140 |
140 |
368 |
70 |
70 |
| 4,6,8 |
1110 |
1350 |
170 |
170 |
80 |
80 |
| АИР315М |
2 |
1260 |
1530 |
765 |
140 |
140 |
457 |
216 |
75 |
75 |
28 |
25 |
18 |
508 |
11 |
95 |
69,5 |
315 |
| 4 |
1290 |
170 |
170 |
90 |
90 |
| 6,8,10 |
| АИР315S |
2 |
1160 |
1460 |
140 |
140 |
406 |
75 |
75 |
| 4 |
1290 |
170 |
170 |
90 |
| 6,8,10 |
1190 |
| АИР355М |
4,6,8 |
1450 |
1625 |
855 |
800 |
210 |
210 |
560 |
254 |
100 |
100 |
740 |
680 |
28 |
20 |
610 |
16 |
12 |
106 |
80 |
355 |
| 10,12 |
| АИР355S |
4,6,8 |
1400 |
1595 |
500 |
| 10,12 |
|
|